Colt Automatic Pistol and Revolver Information - 25 years of Service to Colt Firearms Collectors

COLT MODELS

Coltautos.com Gun of the Month - February 2010
Colt Government Model 1911
British Proofed
Serial Number C26444

R. DiFlorio Collection

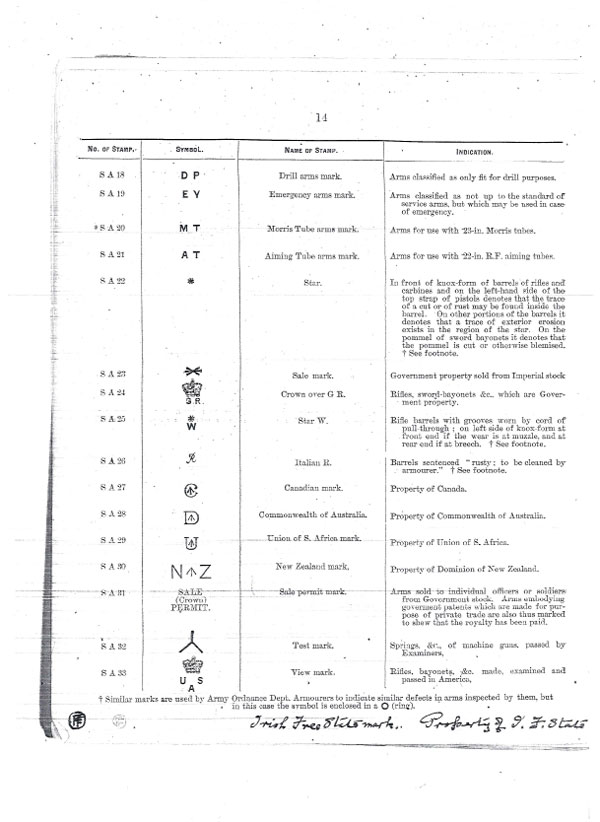
Colt Government Model 1911 serial number C26444 - Serial number is C26444 and it is one of 100 guns shipped to "His Britannic Majesty's Gov't c/o J.P. Morgan."  Also has broad arrow on slide.  On front strap, it has a Crown over G4 over A over Broad arrow over Three pointed star.  This is a Test mark for Springs, etc. or machine guns, passed by Examiners. (see documentation below)

On front strap, it has a Crown over G4 over A over Broad arrow over Three pointed star.

 

 

 

Armaments Inspection Department - List of Stamps used in Various Divisions. Information on British Inspection markings provided by Alan David


 

Gun of the Month


January 2022


Contact Us


 



Home | Wants | Gun of the Month | Historical Info | Instruction Sheets
Site Search| Online Bookstore | Colt Care | Links

Questions / Comments? Contact Us!
 

The Rampant Horse and Colt logos are registered
trademarks of Colt's Manufacturing Company, Inc. Hartford, CT

Copyright © 1996 - 2025 by Coltautos.com. All rights reserved.
Please read our online Privacy Statement
The Coltautos.com logos and all proprietary artwork and photos are the property of Coltautos.com and may not be reproduced or distributed without expressed written permission.